Scotsman Ice Machine Parts List

Scotsman Cm500 Parts Diagram Parts Town

Scotsman Cm500 Parts Diagram Parts Town

Scotsman Cme806 Ice Machine Parts Diagram Nt Ice Com Parts Accessories For Scotsman Icemakers

Scotsman Cme806 Ice Machine Parts Diagram Nt Ice Com Parts Accessories For Scotsman Icemakers

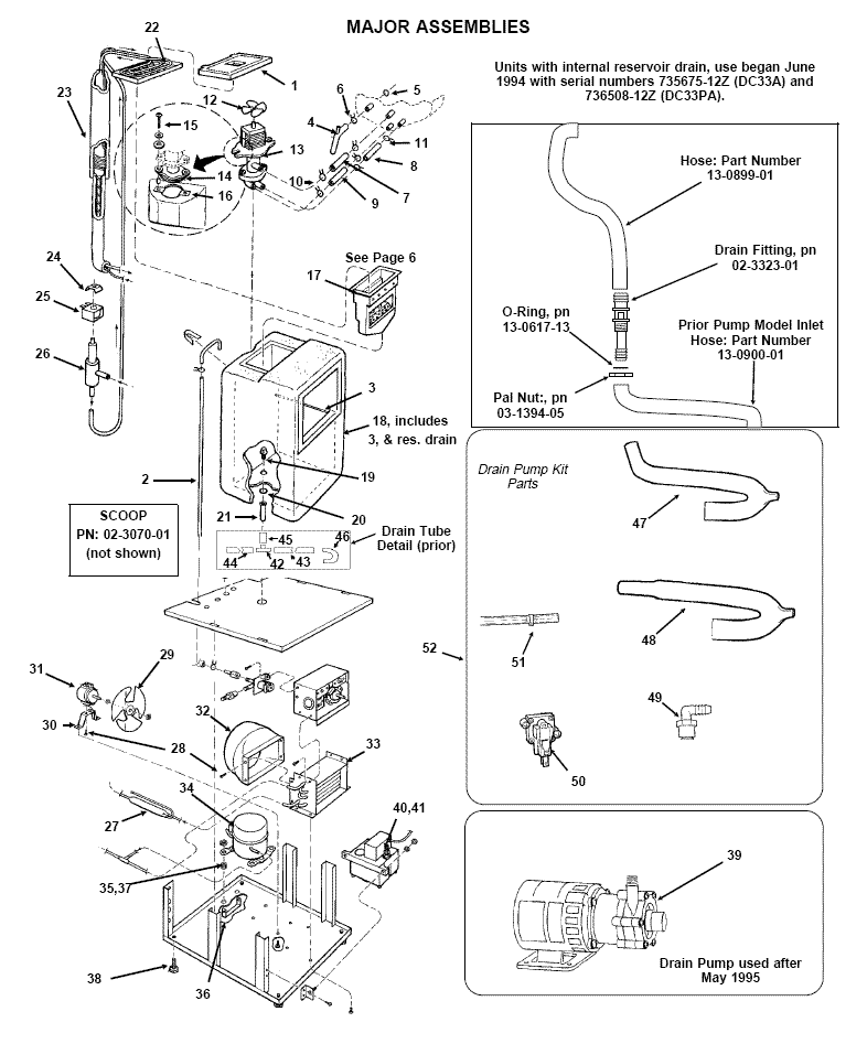
Scotsman Dce33 Parts Diagram Parts Town

Scotsman Dce33 Parts Diagram Parts Town

Scotsman B530 Bin Parts Diagram Nt Ice Com Parts Accessories For Scotsman Icemakers

Scotsman B530 Bin Parts Diagram Nt Ice Com Parts Accessories For Scotsman Icemakers

Scotsman Prodigy C0522 Parts Diagram Nt Ice Com Parts Accessories For Scotsman Icemakers

Scotsman Prodigy C0522 Parts Diagram Nt Ice Com Parts Accessories For Scotsman Icemakers

Scotsman Cm250 Cube Ice Machine Nt Ice Com Parts Accessories For Scotsman Icemakers

Scotsman Cm250 Cube Ice Machine Nt Ice Com Parts Accessories For Scotsman Icemakers

Scotsman Cm250 Cube Ice Machine Nt Ice Com Parts Accessories For Scotsman Icemakers

Scotsman ice machine parts scotsman ice systems pioneered the development of affordable reliable ice making machines in the 1950s.

Scotsman ice machine parts list. Parts town has the most in stock scotsman ice machine parts on the planet to keep your unit running in top shape. Free shipping on your first order shipped by amazon. 2020 scotsman ice systems site map. Locate parts distributor locate service dealer.

More buying choices 9 93 3 new offers scotsman ice level sensor 11 0540 21. 4 5 out of 5 stars 36. Learn more about scotsman supplier terms and conditions. Amazon s choice for scotsman ice machine parts.

Supplier terms conditions. They are the world s leading ice machine manufacturer because they understand the critical importance of ice and the role it plays in the successful operation of several businesses including commercial kitchens. Use our interactive diagrams accessories and expert repair help to fix your scotsman ice maker. Scotsman ice ice machines parts list.

Ice machines c0330 ice maker pdf manual download. View and download scotsman ice machines c0330 parts list online. Scotsman ice maker parts that fit straight from the manufacturer. From oem probes and sensors to baffle and pumps each component is designed to fit and function with your exact machine.

Scotsman a09543 000 spinner jet. Scotsman ice systems.

Scotsman Prodigy C0530 Parts Diagram Nt Ice Com Parts Accessories For Scotsman Icemakers

Scotsman Prodigy C0530 Parts Diagram Nt Ice Com Parts Accessories For Scotsman Icemakers

Scotsman Cme1356 Parts Diagram Parts Town

Scotsman Cme1356 Parts Diagram Parts Town

Scotsman Bh550 Bin Parts Diagram Nt Ice Com Parts Accessories For Scotsman Icemakers

Scotsman Bh550 Bin Parts Diagram Nt Ice Com Parts Accessories For Scotsman Icemakers

Scotsman Cme656 Contour Cube Ice Machine Nt Ice Com Parts Accessories For Scotsman Icemakers

Scotsman Cme656 Contour Cube Ice Machine Nt Ice Com Parts Accessories For Scotsman Icemakers

Scotsman Cme506 Ice Machine Parts Diagram Nt Ice Com Parts Accessories For Scotsman Icemakers

Scotsman Cme506 Ice Machine Parts Diagram Nt Ice Com Parts Accessories For Scotsman Icemakers

Scotsman Cme1356 Ice Machine Parts Diagram Nt Ice Com Parts Accessories For Scotsman Icemakers

Scotsman Cme1356 Ice Machine Parts Diagram Nt Ice Com Parts Accessories For Scotsman Icemakers

Scotsman Prodigy C0330 Parts Diagram Nt Ice Com Parts Accessories For Scotsman Icemakers

Scotsman Prodigy C0330 Parts Diagram Nt Ice Com Parts Accessories For Scotsman Icemakers

Scotsman Commercial Ice Maker Sce170 Ereplacementparts Com

Scotsman Commercial Ice Maker Sce170 Ereplacementparts Com

Scotsman Prodigy C0330 Parts Diagram Nt Ice Com Parts Accessories For Scotsman Icemakers

Scotsman Prodigy C0330 Parts Diagram Nt Ice Com Parts Accessories For Scotsman Icemakers

Manitowoc Qd1472c Ice Machine Parts Diagram Nt Ice Com Parts Accessories For Scotsman Icemakers

Manitowoc Qd1472c Ice Machine Parts Diagram Nt Ice Com Parts Accessories For Scotsman Icemakers

Scotsman Htb555 Bin Parts Diagram Nt Ice Com Parts Accessories For Scotsman Icemakers

Scotsman Htb555 Bin Parts Diagram Nt Ice Com Parts Accessories For Scotsman Icemakers

Scotsman Prodigy C0322 Parts Diagram Nt Ice Com Parts Accessories For Scotsman Icemakers

Scotsman Prodigy C0322 Parts Diagram Nt Ice Com Parts Accessories For Scotsman Icemakers

Dc33 Ice Machine Nt Ice Com Parts Accessories For Scotsman Icemakers

Dc33 Ice Machine Nt Ice Com Parts Accessories For Scotsman Icemakers

Dce33 Ice Machine Nt Ice Com Parts Accessories For Scotsman Icemakers

Dce33 Ice Machine Nt Ice Com Parts Accessories For Scotsman Icemakers

Source : pinterest.com